GeminiX
GeminiX is specifically designed to aid the realization of redoundable safety critical systems adopting the “composite fail-safe with fail-safe comparison” approach.
GeminiX Platform consists of:

The following picture, instead, shows how GeminiX pre-assessed resources can be reused to boost the development of a SIL4 System:

GeminiX offers the following key features:
The main GeminiX components are:
GeminiX Platform
GeminiX-Platform also defines a Checklist for the Application, which includes requirements to be fulfilled by both:
In the following, table, the documentation plan provided with GeminiX is listed, together with the corresponding phase foreseen by the regulations:
| Document Title | IEC 61508 Phase | EN 50126 Phase | EN 50128 Phase |
| GeminiX Concept Description | 5 | 5 | – |
| GeminiX Documentation plan | 7 | 6 | 1 |
| GeminiX Safety Plan | 7 | 6 | 1 |
| GeminiX Quality Plan | 7 | 6 | 1 |
| GeminiX Configuration Management Plan | 7 | 6 | 1 |
| GeminiX-Platform Coding Conventions | 7 | 6 | 1 |
| GeminiX-Platform Architecture | 9 | 6 | – |
| GeminiX-Platform Hazard Analysis | 9 | 6 | – |
| GeminiX-Platform Safety Concept Requirements | 9 | 6 | – |
| Safety Assessment Report Safety Concept for Embedded Virtual Platform (GeminiX) | 9 | 6 | – |
| GeminiX-Tools General Requirements | 10.1 | 6 | 2 |
| GeminiX-Cores Requirements Specification | 10.1 | 6 | – |
| GeminiX-OS Requirements Specification | 10.1 | 6 | 2 |
| GeminiX-OS Requirements Verification Report | 10.1 | 6 | 2 |
| GeminiX-Cores Requirements Test Specification | 10.1 | 6 | – |
| GeminiX-Cores Requirements Verification Report | 10.1 | 6 | – |
| GeminiX-OS Requirements Test Specification | 10.1 | 6 | 2 |
| GeminiX-OS Quality Assurance Plan | 10.2 | 6 | 1 |
| GeminiX-OS Quality Assurance Verification Report | 10.2 | 6 | 1 |
| GeminiX-Cores Verification Plan | 10.2 | 6 | – |
| GeminiX-OS Verification Plan | 10.2 | 6 | 1 |
| GeminiX-Cores Validation Plan | 10.2 | 6 | – |
| GeminiX-Cores Quality Assurance Plan | 10.2 | 6 | – |
| GeminiX-OS Validation Plan | 10.2 | 6 | 1 |
| GeminiX-OS Module Test plan | 10.2 | 6 | 1 |
| GeminiX-OS SW Integration Test plan | 10.2 | 6 | 1 |
| GeminiX-OS HW/SW Integration Test plan | 10.2 | 6 | 1 |
| GeminiX-Cores Architecture specification | 10.3 | 6 | – |
| GeminiX-OS Architecture Specification | 10.3 | 6 | 3 |
| GeminiX-Cores Design Specification | 10.3 | 6 | – |
| GeminiX-OS Design Specification | 10.3 | 6 | 3 |
| GeminiX-OS Interface Specification | 10.3 | 6 | 3 |
| GeminiX-OS Integration Test Specification | 10.3 | 6 | 3 |
| GeminiX-OS HW/SW Integration Test Specification | 10.3 | 6 | 3 |
| GeminiX-Cores Module Design specification | 10.3 | 6 | – |
| GeminiX-Cores Design and Architecture Verification Report | 10.3 | 6 | – |
| GeminiX-OS Design and Architecture Verification Report | 10.3 | 6 | 3 |
| GeminiX-OS Module Design Specification | 10.3 | 6 | 4 |
| GeminiX-OS Module Test Specification | 10.3 | 6 | 4 |
| GeminiX-OS Module Verification Report | 10.3 | 6 | 4 |
| GeminiX-OS Source Code | 10.3 | 6 | 5 |
| GeminiX-Cores Source Code | 10.3 | 6 | – |
| GeminiX-Tools Source Code | 10.3 | 6 | 5 |
| GeminiX-Cores Source Code Verification Report | 10.3 | 6 | – |
| GeminiX-OS Source Code Verification Report | 10.3 | 6 | 5 |
| GeminiX-OS Module Test Report | 10.3 | 6 | 6 |
| GeminiX-OS SW Integration Test Report | 10.4 | 6 | 7 |
| GeminiX-OS HW/SW Integration Test Report | 10.4 | 6 | 7 |
| GeminiX-OS Integration Verification Report | 10.4 | 6 | 7 |
| GeminiX-Cores Integration Verification Report | 10.5 | 6 | – |
| GeminiX-OS User Manual | 10.5 | 6 | 10 |
| GeminiX-Cores User Manual | 10.5 | 6 | – |
| GeminiX-Tools TargetIT User Manual | 10.5 | 6 | 10 |
| GeminiX-Tools DefendIT User Manual | 10.5 | 6 | 10 |
| GeminiX-OS Requirements Test Report | 10.6 | 6 | 8 |
| GeminiX-OS Validation Report | 10.6 | 6 | 8 |
| GeminiX-Cores Validation Report | 10.6 | 6 | – |
| GeminiX-Tools Validation Report | 10.6 | 6 | 8 |
| GeminiX-OS Safety Case | – | 9 | 8 |
| GeminiX-OS Safety Assessing Reports | 10.6 | 9 | 12 |
| GeminiX-Cores Assessing Report | 10.6 | 9 | – |
| GeminiX-OS Change records | 15 | 13 | 11 |
| GeminiX-Cores Change records | 15 | 13 | – |
| GeminiX-Tools Change records | 15 | 13 | 11 |
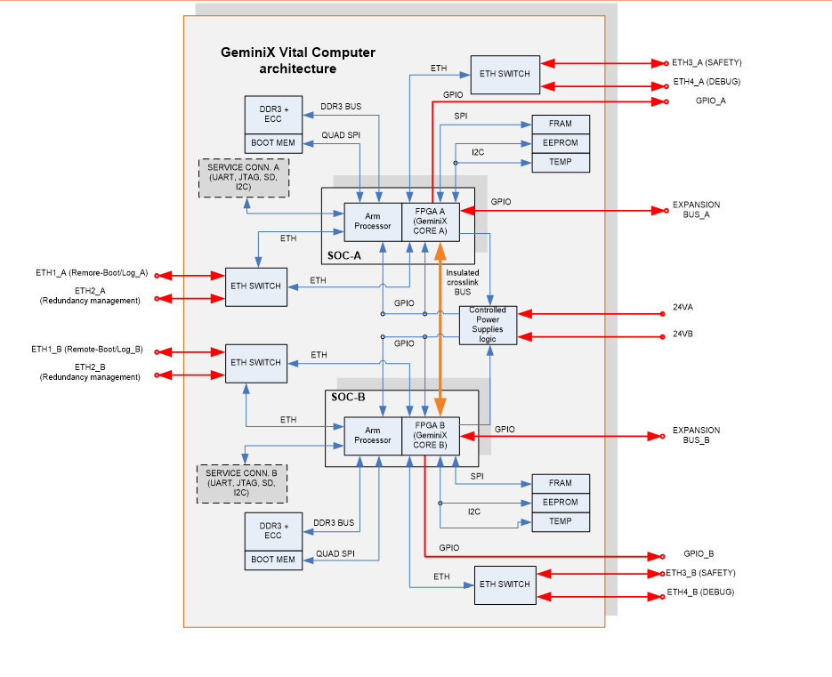
GeminiX Platform defines a safety computer architecture based on diverse CPU (hardware diversity) where the selection of the CPUs is mainly driven by performances and environmental requirements as well as by the foreseen interfaces. A & B nodes are fully insulated and fulfilling all the requirements derived from IS 402, IEC 61508, EN 50155 and EN 50129 standards.
The following figure sets out a typical block diagram of the safety related part of a GeminiX computer.

GeminiX Reference Architecture

A & B CPUs manage:
GeminiX-Cores manage:
CPU-C is a “standard” optional COTS computer which manages:
Custom vital I/O is typically different for each solution and are designed or adapted following the requirements of the different generic applications.
GeminiX-OS
GeminiX-OS is composed by:
- GeminiX Embedded Virtual Platform HW
- A framework for I/O devices support
- A build and configuration environment
- A safe user’s application configuration environment
Its Main features are:
GeminiX-Cores
GeminiX-Cores implements also some generic (no safety related) I/O:
The following figure sets out a typical block diagram of the Core FPGAs.

